• Skip to main content
  • Skip to search
  • Skip to footer
Cadence Home
  • This search text may be transcribed, used, stored, or accessed by our third-party service providers per our Cookie Policy and Privacy Policy.

  1. Community Forums
  2. PCB Design
  3. Proper view of a package

Stats

  • Locked Locked
  • Replies 2
  • Subscribers 165
  • Views 12615
  • Members are here 0
More Content
This discussion has been locked.
You can no longer post new replies to this discussion. If you have a question you can start a new discussion

Proper view of a package

C Shiva
C Shiva over 15 years ago

 Hello,

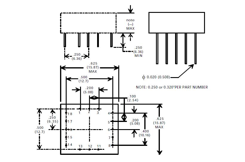
   I need to create a footprint of a PTH transformer package, but i'm quite confusing that whether it is top view or bottom view. There is not more information available in datasheet. Anyone help me.

Thanks,

Shiva.

  • PM-DB27418.JPG
  • View
  • Hide
  • Cancel
Parents
  • girish
    girish over 15 years ago

    Ys u r right, especiallly most of the  connectors not giving the clear presentation, this will misguide the FP maker                                   .  We had issue with same footprint ,we assumed that it is   top view .

    ( Consider the below FP in datasheet they have mentioned like "TOP VIEW OF BOTTOM SIDE !!!!!!!!!!!" ,this had lot of confusion )

    Regards,
    Girish Kumar

    • FP.JPG
    • View
    • Hide
    • Cancel
    • Vote Up 0 Vote Down
    • Cancel
Reply
  • girish
    girish over 15 years ago

    Ys u r right, especiallly most of the  connectors not giving the clear presentation, this will misguide the FP maker                                   .  We had issue with same footprint ,we assumed that it is   top view .

    ( Consider the below FP in datasheet they have mentioned like "TOP VIEW OF BOTTOM SIDE !!!!!!!!!!!" ,this had lot of confusion )

    Regards,
    Girish Kumar

    • FP.JPG
    • View
    • Hide
    • Cancel
    • Vote Up 0 Vote Down
    • Cancel
Children
No Data
Cadence Guidelines

Community Guidelines

The Cadence Design Communities support Cadence users and technologists interacting to exchange ideas, news, technical information, and best practices to solve problems and get the most from Cadence technology. The community is open to everyone, and to provide the most value, we require participants to follow our Community Guidelines that facilitate a quality exchange of ideas and information. By accessing, contributing, using or downloading any materials from the site, you agree to be bound by the full Community Guidelines.

© 2025 Cadence Design Systems, Inc. All Rights Reserved.

  • Terms of Use
  • Privacy
  • Cookie Policy
  • US Trademarks
  • Do Not Sell or Share My Personal Information