• Skip to main content
  • Skip to search
  • Skip to footer
Cadence Home
  • This search text may be transcribed, used, stored, or accessed by our third-party service providers per our Cookie Policy and Privacy Policy.

  1. Community Forums
  2. PCB Design
  3. Meaning of Parameters of Power source symbol in PSpice?

Stats

  • Locked Locked
  • Replies 1
  • Subscribers 164
  • Views 14663
  • Members are here 0
More Content
This discussion has been locked.
You can no longer post new replies to this discussion. If you have a question you can start a new discussion

Meaning of Parameters of Power source symbol in PSpice?

xiaoyi594
xiaoyi594 over 9 years ago

Hi there,

I choose a VAC symbol from PSpice's SOURCE.olb to make a AC sweep simulation. what's the DC mean here? Thanks!

Is there any file that describe the exact meaning of every power source symbols' every Parameters? I tried to found in PSpice user guide.pdf, but  these information seems to be listed in different sections. for example, there is no description about DC in VAC symbol,as the second picture shows.

  • Cancel
  • tltoth
    tltoth over 9 years ago

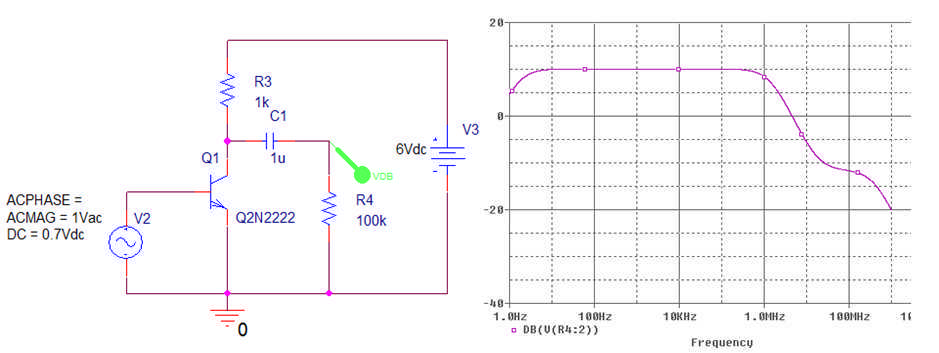
    Maybe this helps.

    • Cancel
    • Vote Up 0 Vote Down
    • Cancel
Cadence Guidelines

Community Guidelines

The Cadence Design Communities support Cadence users and technologists interacting to exchange ideas, news, technical information, and best practices to solve problems and get the most from Cadence technology. The community is open to everyone, and to provide the most value, we require participants to follow our Community Guidelines that facilitate a quality exchange of ideas and information. By accessing, contributing, using or downloading any materials from the site, you agree to be bound by the full Community Guidelines.

© 2025 Cadence Design Systems, Inc. All Rights Reserved.

  • Terms of Use
  • Privacy
  • Cookie Policy
  • US Trademarks
  • Do Not Sell or Share My Personal Information