• Skip to main content
  • Skip to search
  • Skip to footer
Cadence Home
  • This search text may be transcribed, used, stored, or accessed by our third-party service providers per our Cookie Policy and Privacy Policy.

  1. Community Forums
  2. Custom IC Design
  3. Noise spectral density of an amplifier

Stats

  • Locked Locked
  • Replies 3
  • Subscribers 130
  • Views 15213
  • Members are here 0
This discussion has been locked.
You can no longer post new replies to this discussion. If you have a question you can start a new discussion

Noise spectral density of an amplifier

subhajitdey20
subhajitdey20 over 5 years ago

Dear Sir,

This to enquire about the procedure to measure the noise spectral density of an amplifier at the output in Virtuoso ADE.

Regards,

Subhajit 

  • Cancel
  • Andrew Beckett
    Andrew Beckett over 5 years ago

    Hi Subhajit,

    Generally you'd ensure that your amplifier is DC biased in its correct operating region, and then perform a noise analysis, specifying the output of the amplifier, and the output frequency range of interest. Then plot the output noise. Am I missing something here? This seems pretty basic to me - so I'm assuming your question must be more complicated than this (or you've got absolutely nobody with experience to learn from that you can ask?)

    Regards,

    Andrew.

    • Cancel
    • Vote Up +1 Vote Down
    • Cancel
  • subhajitdey20
    subhajitdey20 over 5 years ago in reply to Andrew Beckett

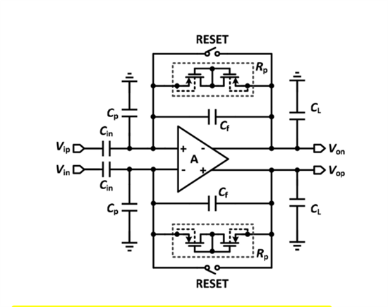
    Thank You for your response Sir. I am attaching a screenshot for what I want to know exactly..System diagramResults to simulate

    • Cancel
    • Vote Up 0 Vote Down
    • Cancel
  • Andrew Beckett
    Andrew Beckett over 5 years ago in reply to subhajitdey20

    Well, if you're going to ask questions on these forums, I suggest:

    1. You post them in the right place. This had nothing to do with the SKILL programming language, so I moved it into Custom IC Design
    2. You didn't think that it might be quite important to mention the fact that you had switches in the feedback loop. Are these regularly reset (e.g. with a clock) providing some kind of auto-zero approach? If so, PSS and pnoise would be sensible - you might want to look at Simulating switched-capacitor filters with SpectreRF
    3. Reading the forum guidelines as they tell you that in order to get an answer, you'll need to ask a clear question with sufficient information (a few random screenshots, missing from your original post, are not really enough).
    4. I suggest you start with talking to your supervisor.

    Thanks,

    Andrew.

    • Cancel
    • Vote Up 0 Vote Down
    • Cancel

Community Guidelines

The Cadence Design Communities support Cadence users and technologists interacting to exchange ideas, news, technical information, and best practices to solve problems and get the most from Cadence technology. The community is open to everyone, and to provide the most value, we require participants to follow our Community Guidelines that facilitate a quality exchange of ideas and information. By accessing, contributing, using or downloading any materials from the site, you agree to be bound by the full Community Guidelines.

© 2025 Cadence Design Systems, Inc. All Rights Reserved.

  • Terms of Use
  • Privacy
  • Cookie Policy
  • US Trademarks
  • Do Not Sell or Share My Personal Information