• Skip to main content
  • Skip to search
  • Skip to footer
Cadence Home
  • This search text may be transcribed, used, stored, or accessed by our third-party service providers per our Cookie Policy and Privacy Policy.

  1. Community Forums
  2. Custom IC Design
  3. single-sided vs double-sided noise in noise upconversio...

Stats

  • Locked Locked
  • Replies 3
  • Subscribers 130
  • Views 10445
  • Members are here 0
This discussion has been locked.
You can no longer post new replies to this discussion. If you have a question you can start a new discussion

single-sided vs double-sided noise in noise upconversion

StanleyChe
StanleyChe over 3 years ago

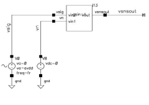
I have a question about noise upconversion. I multiplied a 50MHz sinusoidal signal of DC=0 and amplitude=1V by a noise source created by two noise/freq pairs of a DC=0 source:

Freq1=0
Noise1=100nv^2/hz
Freq2=1G
Noise2=100nv^2/hz

The multiplier is from the ahdlLib which is based on verilogA and just multiplies the two input together. Here is the circuit diagram:

I looked at the absolute noise PSD at vsnsout and the USB noise of the same output node at relative harmonic=1. Here is what I get:

PSD of absolute noise @ 1Hz=50nV^2/Hz
PSD of relative harmonic=1 noise @ 1Hz=50nV^2/Hz

I understand the PSD of the relative harmonic=1 case but not the absolute noise case. I feel since Cadence reports single-sided noise so PSD of absolute noise @ 1Hz should be 100nV^2/Hz.

Could someone explain to me why? Or point me to a question that was already asked related to this? 

Thanks

  • Cancel
  • ShawnLogan
    ShawnLogan over 3 years ago

    Dear Stanley Che,

    StanleyChe said:

    I understand the PSD of the relative harmonic=1 case but not the absolute noise case. I feel since Cadence reports single-sided noise so PSD of absolute noise @ 1Hz should be 100nV^2/Hz.

    Could someone explain to me why? Or point me to a question that was already asked related to this? 

    My apologies on my very late response! However, I took some time to study your question and examined the PSD of a number of signals using your test bench in a set of transient noise simulations. The resulting study is at URL:

    https://www.dropbox.com/s/7vxzliml4uz6518/psd_study_sml_090622v1p0.pdf?dl=0

    I alos apologize, but from the limited information in your post, I was not sure exactly wha simulation and simulation settings you were using to obtain your results. Hence, I can not provide an exact answer to your post, but based on my study, the PSD function as implemented in Cadence Spectre does provide an accurate result and is a one-sided measurement. Please let me know if I can provide any more help Stanley or if I can better explain anything in the note.

    Shawn

    • Cancel
    • Vote Up 0 Vote Down
    • Cancel
  • StanleyChe
    StanleyChe over 3 years ago in reply to ShawnLogan

    Mr. Logan, thank you for taking the time for the writeup. I really appreciate it. While reading, I am wondering if my issue lies in a lack of understanding when we convert double-sided (DS-PSD) thermal noise to single-sided (SS-PSD) noise. When we convert DS-PSD to SS-PSD, it seems that the PSD just becomes 2x. But according to me it must be 4x because when we convert DS-PSD to SS-PSD we fold the negative frequencies to the positive ones and because THEY ARE CORRELATED, we must get double the signal and 4 times the power. Am I missing something? I draw this conclusion based on how we convert two-sided signal freq spectrum to one-sided. The two-sided representation is just a mathematical medium that is for convenience. We convert to real signal by adding the signals in the positive and negative frequencies. 

    • Cancel
    • Vote Up 0 Vote Down
    • Cancel
  • ShawnLogan
    ShawnLogan over 3 years ago in reply to StanleyChe

    Dear StanleyChe,

    StanleyChe said:
    hile reading, I am wondering if my issue lies in a lack of understanding when we convert double-sided (DS-PSD)

    I was very happy to read you found some time in your busy day to look the note over and found it somewhat useful!

    StanleyChe said:
    When we convert DS-PSD to SS-PSD, it seems that the PSD just becomes 2x. But according to me it must be 4x because when we convert DS-PSD to SS-PSD we fold the negative frequencies to the positive ones and because THEY ARE CORRELATED, we must get double the signal and 4 times the power. Am I missing something? I draw this conclusion based on how we convert two-sided signal freq spectrum to one-sided. The two-sided representation is just a mathematical medium that is for convenience. We convert to real signal by adding the signals in the positive and negative frequencies. 

    This is a  good question StanleyChe and one I am sure is shared by many others! I think the answer lies in how a two-sided PSD or DFT is converted to a single-sided spectrum. I put together an example of how a two-sided spectrums converted to a single-sided spectrum with a few notes on the process. It is at URL:

    https://www.dropbox.com/s/3cq140wtz8w6ud4/two_sided_one_sided_fft_sml_090822v1p0.pdf?dl=0

    In short, when creating a signle-sided PSD or DFT of a real signal from its two sided form, the "negative frequency" (your term) components are discarded and not combined with the "positive frequency" terms. This is possible as any the "positive" and "negative" frequency terms of a real signal are complex conjugates of each other. Therefore, there is no point to combining them. One may simply choose one side of the spectrum and adjust the amplitude of its non-zero frequency components.

    I hope my explanation and example are somewhat clear to you StanleyChe. If not, let me know and I will try to clarify them further.

    Shawn

    • Cancel
    • Vote Up 0 Vote Down
    • Cancel

Community Guidelines

The Cadence Design Communities support Cadence users and technologists interacting to exchange ideas, news, technical information, and best practices to solve problems and get the most from Cadence technology. The community is open to everyone, and to provide the most value, we require participants to follow our Community Guidelines that facilitate a quality exchange of ideas and information. By accessing, contributing, using or downloading any materials from the site, you agree to be bound by the full Community Guidelines.

© 2025 Cadence Design Systems, Inc. All Rights Reserved.

  • Terms of Use
  • Privacy
  • Cookie Policy
  • US Trademarks
  • Do Not Sell or Share My Personal Information