• Skip to main content
  • Skip to search
  • Skip to footer
Cadence Home
  • This search text may be transcribed, used, stored, or accessed by our third-party service providers per our Cookie Policy and Privacy Policy.

  1. Community Forums
  2. PCB Design
  3. PSpice Model for a 4017 Decade Counter?

Stats

  • Locked Locked
  • Replies 10
  • Subscribers 166
  • Views 20567
  • Members are here 0
More Content
This discussion has been locked.
You can no longer post new replies to this discussion. If you have a question you can start a new discussion

PSpice Model for a 4017 Decade Counter?

Sailmike
Sailmike over 11 years ago

 I found the following model code for a CD4017B decade counter, but it doesn't work. I'm getting an error as seen in the attachment. The model code I found is:

*---------
* CD4017B CMOS COUNTER/DIVIDER
*
* CMOS INTEGRATED CIRCUITS DATABOOK, 1983, RCA SOLID STATE DIVISION
* NH 9/8/92      REMODELED USING LOGICEXP, PINDLY, CONSTRAINT DEVICES
*
.SUBCKT CD4017B CLK_I CLKINHIBIT_I RESET_I O0_O O1_O O2_O O3_O O4_O O5_O O6_O
+               O7_O O8_O O9_O CARRYOUT_O
+ OPTIONAL: VDD=$G_CD4000_VDD VSS=$G_CD4000_VSS
+ PARAMS: MNTYMXDLY=0 IO_LEVEL=0
*
U17BBUF BUF VDD VSS
+ CLK_I CLK
+ D0_GATE IO_4000B_ST IO_LEVEL={IO_LEVEL}
*
U17BLOG LOGICEXP(13,16) VDD VSS
+ CLK CLKINHIBIT_I RESET_I Q1 Q2 Q3 Q4 Q5 Q1BAR Q2BAR Q3BAR Q4BAR Q5BAR
+ CLKINHIBIT RESET CLOCK O0 O1 O2 O3 O4 O5 O6 O7 O8 O9 CARRYOUT TOQ3 RST
+ D0_GATE IO_4000B IO_LEVEL={IO_LEVEL}
+
+ LOGIC:
+
* BUFFERS
+   CLKINHIBIT = { CLKINHIBIT_I }
+   RESET = { RESET_I }
+
* OUTPUT ASSIGNMENTS
+   CLOCK = { ~(~CLK | CLKINHIBIT) }
+   O0 = { Q5BAR & Q1BAR }
+   O1 = { Q1 & Q2BAR }
+   O2 = { Q2 & Q3BAR }
+   O3 = { Q3 & Q4BAR }
+   O4 = { Q4 & Q5BAR }
+   O5 = { Q5 & Q1 }
+   O6 = { Q1BAR & Q2 }
+   O7 = { Q2BAR & Q3 }
+   O8 = { Q3BAR & Q4 }
+   O9 = { Q4BAR & Q5 }
+   CARRYOUT = { Q5BAR }
+   TOQ3 = { ((Q1 & Q2) | (Q2 & Q3)) }
+   RST = { ~RESET }
*
UFF DFF(5) VDD VSS
+ $D_HI RST CLOCK Q5BAR Q1 TOQ3 Q3 Q4 Q1 Q2 Q3 Q4 Q5
+ Q1BAR Q2BAR Q3BAR Q4BAR Q5BAR
+ D0_EFF IO_4000B
*
U17BDLY PINDLY (11,0,4) VDD VSS
+ O0 O1 O2 O3 O4 O5 O6 O7 O8 O9 CARRYOUT
+ CLOCK RESET CLK CLKINHIBIT
+ O0_O O1_O O2_O O3_O O4_O O5_O O6_O O7_O O8_O O9_O CARRYOUT_O
+ IO_4000B MNTYMXDLY={MNTYMXDLY} IO_LEVEL={IO_LEVEL}
+
+ BOOLEAN:
+   CH_CLOCK = { CHANGED_LH(CLOCK,0) }
+   CH_RESET = { CHANGED_LH(RESET,0) }
+
+ PINDLY:
+   O0_O O1_O O2_O O3_O O4_O O5_O O6_O O7_O O8_O O9_O = {
+     CASE(
+       CH_RESET, DELAY(-1,265NS,530NS),
+       CH_CLOCK, DELAY(-1,325NS,650NS),
+       DELAY(-1,326NS,651NS)                  ;DEFAULT
+       )
+     }
+   CARRYOUT_O = {
+     CASE(
+       CH_RESET, DELAY(-1,265NS,530NS),
+       CH_CLOCK, DELAY(-1,300NS,600NS),
+       DELAY(-1,301NS,601NS)
+       )
+     }
+
+ FREQ:
+   NODE = CLK
+   MAXFREQ = 2.5MEG
+
+ WIDTH:
+   NODE = CLK
+   MIN_HI = 200NS
+   MIN_LO = 200NS
+
+ WIDTH:
+   NODE = RESET
+   MIN_HI = 260NS
+
+ SETUP_HOLD:
+   DATA(1) RESET
+   CLOCK LH = CLK
+   RELEASETIME_HL = 400NS
+
+ SETUP_HOLD:
+   DATA(1) CLKINHIBIT
+   CLOCK LH = CLK
+   SETUPTIME = 230NS
+   WHEN = { RESET!='1 }
*
.ENDS

I think it's missing some lines. Shouldn't there be a line starting with ".model"?

 

Thanks,

Mike 

  • Current Check Error.jpg
  • View
  • Hide
  • Cancel
  • Sailmike
    Sailmike over 11 years ago

     That solved one problem and added a new one as seen in the screenshot I attached here. The new coding:

     

     

    .SUBCKT CD4017B CLK_I CLKINHIBIT_I RESET_I O0_O O1_O O2_O O3_O O4_O O5_O O6_O

    + O7_O O8_O O9_O CARRYOUT_O

    + OPTIONAL: VDD=$G_CD4000_VDD VSS=$G_CD4000_VSS

    + PARAMS: MNTYMXDLY=0 IO_LEVEL=0

    *

    U17BBUF BUF VDD VSS

    + CLK_I CLK

    + D0_GATE IO_4000B_ST IO_LEVEL={IO_LEVEL}

    *

    U17BLOG LOGICEXP(13,16) VDD VSS

    + CLK CLKINHIBIT_I RESET_I Q1 Q2 Q3 Q4 Q5 Q1BAR Q2BAR Q3BAR Q4BAR Q5BAR

    + CLKINHIBIT RESET CLOCK O0 O1 O2 O3 O4 O5 O6 O7 O8 O9 CARRYOUT TOQ3 RST

    + D0_GATE IO_4000B IO_LEVEL={IO_LEVEL}

    +

    + LOGIC:

    +

    * BUFFERS

    + CLKINHIBIT = { CLKINHIBIT_I }

    + RESET = { RESET_I }

    +

    * OUTPUT ASSIGNMENTS

    + CLOCK = { ~(~CLK | CLKINHIBIT) }

    + O0 = { Q5BAR & Q1BAR }

    + O1 = { Q1 & Q2BAR }

    + O2 = { Q2 & Q3BAR }

    + O3 = { Q3 & Q4BAR }

    + O4 = { Q4 & Q5BAR }

    + O5 = { Q5 & Q1 }

    + O6 = { Q1BAR & Q2 }

    + O7 = { Q2BAR & Q3 }

    + O8 = { Q3BAR & Q4 }

    + O9 = { Q4BAR & Q5 }

    + CARRYOUT = { Q5BAR }

    + TOQ3 = { ((Q1 & Q2) | (Q2 & Q3)) }

    + RST = { ~RESET }

    *

    UFF DFF(5) VDD VSS

    + $D_HI RST CLOCK Q5BAR Q1 TOQ3 Q3 Q4 Q1 Q2 Q3 Q4 Q5

    + Q1BAR Q2BAR Q3BAR Q4BAR Q5BAR

    + D0_EFF IO_4000B

    *

    U17BDLY PINDLY (11,0,4) VDD VSS

    + O0 O1 O2 O3 O4 O5 O6 O7 O8 O9 CARRYOUT

    + CLOCK RESET CLK CLKINHIBIT

    + O0_O O1_O O2_O O3_O O4_O O5_O O6_O O7_O O8_O O9_O CARRYOUT_O

    + IO_4000B MNTYMXDLY={MNTYMXDLY} IO_LEVEL={IO_LEVEL}

    +

    + BOOLEAN:

    + CH_CLOCK = { CHANGED_LH(CLOCK,0) }

    + CH_RESET = { CHANGED_LH(RESET,0) }

    +

    + PINDLY:

    + O0_O O1_O O2_O O3_O O4_O O5_O O6_O O7_O O8_O O9_O = {

    + CASE(

    + CH_RESET, DELAY(-1,265NS,530NS),

    + CH_CLOCK, DELAY(-1,325NS,650NS),

    + DELAY(-1,326NS,651NS) ;DEFAULT

    + )

    + }

    + CARRYOUT_O = {

    + CASE(

    + CH_RESET, DELAY(-1,265NS,530NS),

    + CH_CLOCK, DELAY(-1,300NS,600NS),

    + DELAY(-1,301NS,601NS)

    + )

    + }

    +

    + FREQ:

    + NODE = CLK

    + MAXFREQ = 2.5MEG

    +

    + WIDTH:

    + NODE = CLK

    + MIN_HI = 200NS

    + MIN_LO = 200NS

    +

    + WIDTH:

    + NODE = RESET

    + MIN_HI = 260NS

    +

    + SETUP_HOLD:

    + DATA(1) RESET

    + CLOCK LH = CLK

    + RELEASETIME_HL = 400NS

    +

    + SETUP_HOLD:

    + DATA(1) CLKINHIBIT

    + CLOCK LH = CLK

    + SETUPTIME = 230NS

    + WHEN = { RESET!='1 }

    *

    .model D0_GATE ugate ()

    .model IO_4000B_ST uio ()

    + drvh=1443 drvl=1443

    + AtoD1="AtoD_4000B_ST" AtoD2="AtoD_4000B_ST"

    + AtoD3="AtoD_4000B_ST" AtoD4="AtoD_4000B_ST"

    + DtoA1="DtoA_4000B" DtoA2="DtoA_4000B"

    + DtoA3="DtoA_4000B" DtoA4="DtoA_4000B"

    + tswhl1=7.72ns tswlh1=7.56ns

    + tswhl2=7.86ns tswlh2=7.40ns

    + tswhl3=9.71ns tswlh3=9.41ns

    + tswhl4=9.63ns tswlh4=9.24ns

    + DIGPOWER="CD4000_PWR"

    .model IO_4000B uio ()

    + drvh=1443 drvl=1443

    + AtoD1="AtoD_4000B" AtoD2="AtoD_4000B_NX"

    + AtoD3="AtoD_4000B" AtoD4="AtoD_4000B_NX"

    + DtoA1="DtoA_4000B" DtoA2="DtoA_4000B"

    + DtoA3="DtoA_4000B" DtoA4="DtoA_4000B"

    + tswhl1=7.72ns tswlh1=7.56ns

    + tswhl2=7.86ns tswlh2=7.40ns

    + tswhl3=9.71ns tswlh3=9.41ns

    + tswhl4=9.63ns tswlh4=9.24ns

    + DIGPOWER="CD4000_PWR"

    .model D0_EFF ueff ()

    .ENDS

     

    Thank you,

    Mike 

     

     

    • Current Check Error 3.jpg
    • View
    • Hide
    • Cancel
    • Vote Up 0 Vote Down
    • Cancel
  • oldmouldy
    oldmouldy over 11 years ago

    As "alokt" posted, you don't have all the libraries because you are running the evaluation version, also from the last message in the screenshot, even if you did have all the libraries correctly configured, your circuit has more than the 75 circuit node limit, so it will not simulate without a licensed installation.

    • Cancel
    • Vote Up 0 Vote Down
    • Cancel
  • Sailmike
    Sailmike over 11 years ago

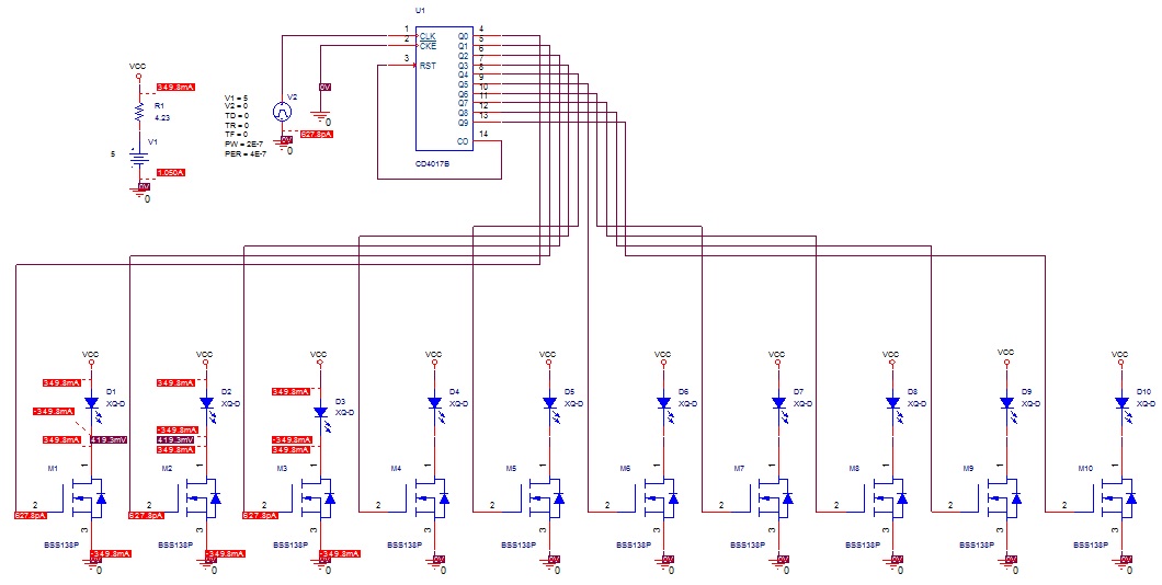
     Yes I know there is a limit with the free version of the software. What is a "node"? I've attached the circuit I'm trying to simulate.

     

    Thanks,

    Mike 

    • Current Check Error 4.jpg
    • View
    • Hide
    • Cancel
    • Vote Up 0 Vote Down
    • Cancel
  • oldmouldy
    oldmouldy over 11 years ago

    Any Voltage node is a node, also be aware that nodes may exist internally to the models and may be added depending upon the simulation requirements. In your case, the counter has internal nodes and nodes are added to convert from the "state" of the digital simulation to the "voltage" of the analog components, mosfets in this case, also the mosfets have internal nodes. From a circuit that I drew from the picture of your circuit, I got a node count of 159, over double the evaluation simulation limit.

    • Cancel
    • Vote Up 0 Vote Down
    • Cancel
  • oandewaal
    oandewaal over 11 years ago
    Thanks for the great advice. Works like a charm.
    • Cancel
    • Vote Up 0 Vote Down
    • Cancel
<
Cadence Guidelines

Community Guidelines

The Cadence Design Communities support Cadence users and technologists interacting to exchange ideas, news, technical information, and best practices to solve problems and get the most from Cadence technology. The community is open to everyone, and to provide the most value, we require participants to follow our Community Guidelines that facilitate a quality exchange of ideas and information. By accessing, contributing, using or downloading any materials from the site, you agree to be bound by the full Community Guidelines.

© 2025 Cadence Design Systems, Inc. All Rights Reserved.

  • Terms of Use
  • Privacy
  • Cookie Policy
  • US Trademarks
  • Do Not Sell or Share My Personal Information