• Skip to main content
  • Skip to search
  • Skip to footer
Cadence Home
  • This search text may be transcribed, used, stored, or accessed by our third-party service providers per our Cookie Policy and Privacy Policy.

  1. Community Forums
  2. Custom IC Design
  3. Making a mathematical expression between two parameters...

Stats

  • Locked Locked
  • Replies 1
  • Subscribers 130
  • Views 14246
  • Members are here 0
This discussion has been locked.
You can no longer post new replies to this discussion. If you have a question you can start a new discussion

Making a mathematical expression between two parameters in ADE GXL output setup window

NorNand
NorNand over 6 years ago

Hello,

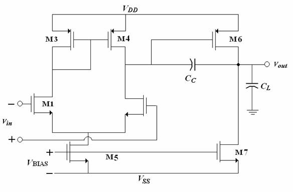
I am running the Circuit optimization from ADE GXL, I am practising simple two-stage operational amplifier as it has shown below, 

I want to include a formula in my output setup the M6 drain current is near or equal to M7 drain current. This condition for the optimizer will assure that my circuit will have a very small offset voltage.

It is very basic to bring both currents to the output setup but I don't know how to make this expression formula between them,

Thank you

  • Cancel
  • NorNand
    NorNand over 6 years ago

    Hi,

    I made indirect solution by taking abs(IM6-IM7) then I push this to ADE and select minimize to zero as a design target specification

    • Cancel
    • Vote Up 0 Vote Down
    • Cancel

Community Guidelines

The Cadence Design Communities support Cadence users and technologists interacting to exchange ideas, news, technical information, and best practices to solve problems and get the most from Cadence technology. The community is open to everyone, and to provide the most value, we require participants to follow our Community Guidelines that facilitate a quality exchange of ideas and information. By accessing, contributing, using or downloading any materials from the site, you agree to be bound by the full Community Guidelines.

© 2025 Cadence Design Systems, Inc. All Rights Reserved.

  • Terms of Use
  • Privacy
  • Cookie Policy
  • US Trademarks
  • Do Not Sell or Share My Personal Information